Комплект Magic Pie-5, 18" (передний)
Войдите в учётную запись, чтобы мы могли сообщить вам об ответе
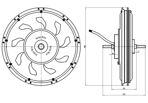
Комплект Мотор-колесо Golden Motor Magic Pie-4, 18" (переднее колесо).
Комплект для апгрейда обычного велосипеда до электровелосипеда. Максимальная скорость 31 км/ч (на батарее 48В), без кручения педалей. Дальность пробега зависит от ёмкости аккумулятора, составляя в среднем 20-40 км, без педалей. Если Вы немного будете крутить педали, то дальность пробега увеличивается в 1,5-2 раза.
Мотор-колёсо Magic Pie - одно из мощнейших в своем классе прямоприводных двигателей. Вы можете запрограммировать его от 250 Вт до 1500 Вт. Т.е. в моторе мощность = 2 лошадиным силам! Вы можете начать с малого и разогнать его когда Вам вздумается (при покупке же у других производителей, Вам придётся приобретать новый мотор помощнее). А ездить побыстрее Вам захочется в любом случае.
Чем хорош Мотор Magic Pie-5, в отличие от других, так это наличием штепсельных разъёмов - не надо вообще ничего паять. Вставил в разъёмы - и поехал! А из-за того что контроллер встроенный - минимум проводов, не надо ломать голову куда прикрепить контроллер с кучей проводов. Не надо пилить под заднюю вилку - ось стандартного велосипедного размера. Эстетичный и лаконичный дизайн.
Отличие Magic Pie-5 от Magic Pie-4: кроме подключения LCD-дисплея, можно подключить Bluetooth-передатчик в тот же разъём что и LCD-дисплей, т.е. функцию LCD-дисплея может выполнять Ваш телефон (на Android и iOC). Требуется установить программное обеспечение на Ваш телефон и синхронизировать с передатчиком. Т.е. Magic Pie-5 имеет 2 функции: LCD-дисплея и Bluetooth-передатчика. Bluetooth-передатчик используется для подключения смартфона к контроллеру и не входит к комплект - покупается дополнительно.
В комплект входят:
- Мотор-колесо Magic-Pie-5, заспицованное в ободе (бесщеточный и безредукторный мотор, со встроенным контроллером с модернизированным МОП-транзисторами);
- Тормозные рычаги (электронные тормоза);
- Ручка газа (используется для регулировки скорости движения, показывает датчик аккумулятора, светодиодные сигнальные лампы включения). На выбор можно выбрать из 2-ух типов: мотоциклетного типа и под большой палец,
- Кнопка Круиз-контроля (используется для включения функции автопилота (постоянная скорость).
- Кабели и разъемы (используется для подключения всех аксессуаров с двигателем).
Номинальная мощность: 1500Вт,
Пиковая мощность: 3360Вт,
Диаметр колеса: 18" (передний),
Посадочное место: 97.5 мм.
Обод: литой алюминевый, наружняя ширина - 40 мм.
Контроллер: встроенный в колесо.
Вес: мотор - 7кг; заспицованый в ободе с контроллером - 8,2кг; со всеми рычагами управления - 9,0кг.
Основные преимущества:
Скачать Руководство пользователя Magic Pie-5.
Скачать Схему соединения проводки Magic Pie-5.
Скачать Таблица характеристик мотора Magic Pie-5.
Скачать Программу для прошивки контроллера Magic Pie-5.
Скачать Драйвер для USB-кабеля для Magic Pie-5.
Скачать Bluetooth-приложение для Android (Android 4.4 и выше). Версия 1.6 от 01.09.2018.
